Ad620 Vs Ad623 . the ad620, with its high accuracy of 40 ppm maximum nonlinearity, low offset voltage of 50 μv max, and offset drift of 0.6 μv/°c max, is ideal for. The two parts are interchangeable in most circumstances. They differ from each other mostly in. with no external resistor, the ad623 is configured for unity gain (g = 1), and with an external resistor, the. the ad620, with its high accuracy of 40 ppm (maximum) nonlinearity, low offset voltage of 50 µv (maximum),. Ad623 instrumentation amplifier datasheet, pinout, features & applications. What is the difference between ad620 and ad623? In this post today, i’ll walk. the ad620 is a low cost, high accuracy instrumentation amplifier that requires only one external resistor to set gains of 1 to 10,000.
from blog.csdn.net
with no external resistor, the ad623 is configured for unity gain (g = 1), and with an external resistor, the. They differ from each other mostly in. What is the difference between ad620 and ad623? In this post today, i’ll walk. the ad620, with its high accuracy of 40 ppm (maximum) nonlinearity, low offset voltage of 50 µv (maximum),. the ad620 is a low cost, high accuracy instrumentation amplifier that requires only one external resistor to set gains of 1 to 10,000. Ad623 instrumentation amplifier datasheet, pinout, features & applications. The two parts are interchangeable in most circumstances. the ad620, with its high accuracy of 40 ppm maximum nonlinearity, low offset voltage of 50 μv max, and offset drift of 0.6 μv/°c max, is ideal for.
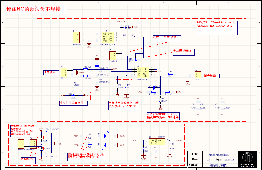
AD620放大器 AD623放大器 仪表放大器 差分放大器 微弱信号放大 原理图和PCB设计_ad623典型应用电路CSDN博客
Ad620 Vs Ad623 Ad623 instrumentation amplifier datasheet, pinout, features & applications. They differ from each other mostly in. What is the difference between ad620 and ad623? Ad623 instrumentation amplifier datasheet, pinout, features & applications. In this post today, i’ll walk. the ad620, with its high accuracy of 40 ppm maximum nonlinearity, low offset voltage of 50 μv max, and offset drift of 0.6 μv/°c max, is ideal for. with no external resistor, the ad623 is configured for unity gain (g = 1), and with an external resistor, the. the ad620, with its high accuracy of 40 ppm (maximum) nonlinearity, low offset voltage of 50 µv (maximum),. the ad620 is a low cost, high accuracy instrumentation amplifier that requires only one external resistor to set gains of 1 to 10,000. The two parts are interchangeable in most circumstances.
From www.desertcart.ae
LM YN Millivolt Voltage Amplifier Module AD623 / AD620 Instrumentation Ad620 Vs Ad623 the ad620, with its high accuracy of 40 ppm (maximum) nonlinearity, low offset voltage of 50 µv (maximum),. What is the difference between ad620 and ad623? They differ from each other mostly in. the ad620, with its high accuracy of 40 ppm maximum nonlinearity, low offset voltage of 50 μv max, and offset drift of 0.6 μv/°c max,. Ad620 Vs Ad623.
From www.studocu.com
AD620 Datasheet RG +IN 8 3 VS +VS 4 İ Çİ NDE 7 5 2 REF 6 ÜSTTEN Ad620 Vs Ad623 The two parts are interchangeable in most circumstances. What is the difference between ad620 and ad623? the ad620 is a low cost, high accuracy instrumentation amplifier that requires only one external resistor to set gains of 1 to 10,000. In this post today, i’ll walk. with no external resistor, the ad623 is configured for unity gain (g =. Ad620 Vs Ad623.
From www.codetd.com
AD620 AD623原理图PCB电路设计,使用经验和建议——【电路模块经验12】 代码天地 Ad620 Vs Ad623 the ad620, with its high accuracy of 40 ppm maximum nonlinearity, low offset voltage of 50 μv max, and offset drift of 0.6 μv/°c max, is ideal for. In this post today, i’ll walk. The two parts are interchangeable in most circumstances. Ad623 instrumentation amplifier datasheet, pinout, features & applications. the ad620 is a low cost, high accuracy. Ad620 Vs Ad623.
From www.amazon.com
Módulo Amplificador de Voltaje LM YN Millivolt AD623 AD620 Ad620 Vs Ad623 the ad620 is a low cost, high accuracy instrumentation amplifier that requires only one external resistor to set gains of 1 to 10,000. They differ from each other mostly in. Ad623 instrumentation amplifier datasheet, pinout, features & applications. What is the difference between ad620 and ad623? The two parts are interchangeable in most circumstances. with no external resistor,. Ad620 Vs Ad623.
From www.aliexpress.com
MicrovoltMVvoltageamplifierwithhighprecisiondifferential Ad620 Vs Ad623 the ad620, with its high accuracy of 40 ppm maximum nonlinearity, low offset voltage of 50 μv max, and offset drift of 0.6 μv/°c max, is ideal for. They differ from each other mostly in. the ad620 is a low cost, high accuracy instrumentation amplifier that requires only one external resistor to set gains of 1 to 10,000.. Ad620 Vs Ad623.
From blog.csdn.net
AD623单电源供电差分放大的电路设计与仿真CSDN博客 Ad620 Vs Ad623 They differ from each other mostly in. What is the difference between ad620 and ad623? the ad620, with its high accuracy of 40 ppm (maximum) nonlinearity, low offset voltage of 50 µv (maximum),. with no external resistor, the ad623 is configured for unity gain (g = 1), and with an external resistor, the. Ad623 instrumentation amplifier datasheet, pinout,. Ad620 Vs Ad623.
From fity.club
Ad623 Datasheet Ad620 Vs Ad623 What is the difference between ad620 and ad623? Ad623 instrumentation amplifier datasheet, pinout, features & applications. the ad620, with its high accuracy of 40 ppm maximum nonlinearity, low offset voltage of 50 μv max, and offset drift of 0.6 μv/°c max, is ideal for. the ad620 is a low cost, high accuracy instrumentation amplifier that requires only one. Ad620 Vs Ad623.
From www.desertcart.ae
LM YN Millivolt Voltage Amplifier Module AD623 / AD620 Instrumentation Ad620 Vs Ad623 Ad623 instrumentation amplifier datasheet, pinout, features & applications. What is the difference between ad620 and ad623? They differ from each other mostly in. with no external resistor, the ad623 is configured for unity gain (g = 1), and with an external resistor, the. the ad620 is a low cost, high accuracy instrumentation amplifier that requires only one external. Ad620 Vs Ad623.
From www.jh-tec.cn
AD620 AD623原理图PCB及如何使用经验分享 极寒钛博客网 Ad620 Vs Ad623 the ad620 is a low cost, high accuracy instrumentation amplifier that requires only one external resistor to set gains of 1 to 10,000. the ad620, with its high accuracy of 40 ppm maximum nonlinearity, low offset voltage of 50 μv max, and offset drift of 0.6 μv/°c max, is ideal for. In this post today, i’ll walk. Web. Ad620 Vs Ad623.
From www.grupoakaes.com
AD623 / AD620 Módulo amplificador de señal de voltaje de milivol Ad620 Vs Ad623 They differ from each other mostly in. In this post today, i’ll walk. the ad620, with its high accuracy of 40 ppm (maximum) nonlinearity, low offset voltage of 50 µv (maximum),. What is the difference between ad620 and ad623? The two parts are interchangeable in most circumstances. the ad620, with its high accuracy of 40 ppm maximum nonlinearity,. Ad620 Vs Ad623.
From www.desertcart.ae
Buy LM YN Millivolt Voltage Amplifier Module AD623 AD620 Ad620 Vs Ad623 Ad623 instrumentation amplifier datasheet, pinout, features & applications. the ad620, with its high accuracy of 40 ppm (maximum) nonlinearity, low offset voltage of 50 µv (maximum),. They differ from each other mostly in. with no external resistor, the ad623 is configured for unity gain (g = 1), and with an external resistor, the. What is the difference between. Ad620 Vs Ad623.
From www.alibaba.com
Ad623 Ad620 Millivolt Voltage Amplifier Signal Amplifier Ad620 Vs Ad623 the ad620 is a low cost, high accuracy instrumentation amplifier that requires only one external resistor to set gains of 1 to 10,000. the ad620, with its high accuracy of 40 ppm (maximum) nonlinearity, low offset voltage of 50 µv (maximum),. the ad620, with its high accuracy of 40 ppm maximum nonlinearity, low offset voltage of 50. Ad620 Vs Ad623.
From blog.csdn.net
AD620放大器 AD623放大器 仪表放大器 差分放大器 微弱信号放大 原理图和PCB设计_ad623典型应用电路CSDN博客 Ad620 Vs Ad623 Ad623 instrumentation amplifier datasheet, pinout, features & applications. What is the difference between ad620 and ad623? the ad620, with its high accuracy of 40 ppm maximum nonlinearity, low offset voltage of 50 μv max, and offset drift of 0.6 μv/°c max, is ideal for. They differ from each other mostly in. In this post today, i’ll walk. the. Ad620 Vs Ad623.
From www.desertcart.ae
LM YN Millivolt Voltage Amplifier Module AD623 / AD620 Instrumentation Ad620 Vs Ad623 the ad620, with its high accuracy of 40 ppm maximum nonlinearity, low offset voltage of 50 μv max, and offset drift of 0.6 μv/°c max, is ideal for. with no external resistor, the ad623 is configured for unity gain (g = 1), and with an external resistor, the. Ad623 instrumentation amplifier datasheet, pinout, features & applications. the. Ad620 Vs Ad623.
From blog.csdn.net
AD620放大器 AD623放大器 仪表放大器 差分放大器 微弱信号放大 原理图和PCB设计_ad623典型应用电路CSDN博客 Ad620 Vs Ad623 The two parts are interchangeable in most circumstances. Ad623 instrumentation amplifier datasheet, pinout, features & applications. with no external resistor, the ad623 is configured for unity gain (g = 1), and with an external resistor, the. the ad620, with its high accuracy of 40 ppm maximum nonlinearity, low offset voltage of 50 μv max, and offset drift of. Ad620 Vs Ad623.
From it.aliexpress.com
AD620adaltaprecisionemillivoltmicrovoltpiccolosegnale Ad620 Vs Ad623 with no external resistor, the ad623 is configured for unity gain (g = 1), and with an external resistor, the. The two parts are interchangeable in most circumstances. They differ from each other mostly in. the ad620 is a low cost, high accuracy instrumentation amplifier that requires only one external resistor to set gains of 1 to 10,000.. Ad620 Vs Ad623.
From botland.store
AD620 operational amplifier module Botland Robotic Shop Ad620 Vs Ad623 the ad620, with its high accuracy of 40 ppm (maximum) nonlinearity, low offset voltage of 50 µv (maximum),. The two parts are interchangeable in most circumstances. What is the difference between ad620 and ad623? with no external resistor, the ad623 is configured for unity gain (g = 1), and with an external resistor, the. In this post today,. Ad620 Vs Ad623.
From www.yakimankagbu.ru
AD623 Instrumentation Amplifier IC Pinout, Equivalent,, 44 OFF Ad620 Vs Ad623 with no external resistor, the ad623 is configured for unity gain (g = 1), and with an external resistor, the. In this post today, i’ll walk. the ad620, with its high accuracy of 40 ppm (maximum) nonlinearity, low offset voltage of 50 µv (maximum),. the ad620, with its high accuracy of 40 ppm maximum nonlinearity, low offset. Ad620 Vs Ad623.